
Примыкание к кровле ДЭК-01
Длина детали (max)
4000 мм
Толщина металла
0.5 мм
Развертка детали
160 мм

Примыкание к кровле ДЭК-02
Длина детали (max)
4000 мм
Толщина металла
0.5 мм
Развертка детали
180 мм

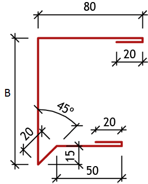
Примыкание к кровле ДЭК-03
Длина детали (max)
4000 мм
Толщина металла
0.5 мм
Развертка детали
В+270 мм (где B желаемая величина)

Примыкание к кровле ДЭК-04
Длина детали (max)
4000 мм
Толщина металла
0.5 мм
Развертка детали
В+270 мм (где B желаемая величина)

Примыкание к кровле ДЭК-05
Длина детали (max)
4000 мм
Толщина металла
0.5 мм
Развертка детали
В+230 мм (где B желаемая величина)

Примыкание к кровле ДЭК-06
Длина детали (max)
4000 мм
Толщина металла
0.5 мм
Развертка детали
240 мм

Примыкание к кровле ДЭК-07
Длина детали (max)
4000 мм
Толщина металла
0.5 мм
Развертка детали
174 мм

Примыкание к кровле ДЭК-08
Длина детали (max)
4000 мм
Толщина металла
0.5 мм
Развертка детали
В+220 мм (где B желаемая величина)

Примыкание к кровле ДЭК-09
Длина детали (max)
4000 мм
Толщина металла
0.5 мм
Развертка детали
В+B1+120 мм (где B желаемая величина)

Примыкание к кровле ДЭК-10
Длина детали (max)
4000 мм
Толщина металла
0.5 мм
Развертка детали
В+190 мм (где B желаемая величина)

Примыкание к кровле ДЭК-11
Длина детали (max)
4000 мм
Толщина металла
0.5 мм
Развертка детали
В+350 мм (где B желаемая величина)

Примыкание к кровле ДЭК-12
Длина детали (max)
4000 мм
Толщина металла
0.5 мм
Развертка детали
В+240 мм (где B желаемая величина)

Примыкание к кровле ДЭК-13
Длина детали (max)
4000 мм
Толщина металла
0.5 мм
Развертка детали
В+260 мм (где B желаемая величина)

Примыкание к кровле ДЭК-14
Длина детали (max)
4000 мм
Толщина металла
0.5 мм
Развертка детали
195 мм

Примыкание к кровле ДЭК-15
Длина детали (max)
4000 мм
Толщина металла
0.5 мм
Развертка детали
420 мм

Примыкание к кровле ДЭК-16
Длина детали (max)
4000 мм
Толщина металла
0.5 мм
Развертка детали
В+345 мм (где B желаемая величина)

Примыкание к кровле ДЭК-17
Длина детали (max)
4000 мм
Толщина металла
0.5 мм
Развертка детали
520 мм

Примыкание к кровле ДЭК-18
Длина детали (max)
4000 мм
Толщина металла
0.5 мм
Развертка детали
340 мм

Примыкание к кровле ДЭК-19
Длина детали (max)
4000 мм
Толщина металла
0.5 мм
Развертка детали
456 мм

Примыкание к кровле ДЭК-20
Длина детали (max)
4000 мм
Толщина металла
0.5 мм
Развертка детали
240 мм